LSMX压共箱封闭型母线槽
- 电 话:13963899690 0550-2382871
- 传 真:
- 邮 箱:ahystech@163.com
产品描述
一、适用范围
LSM×系列压共箱封闭型母线槽适用于额定电压3KV~35KV,额定工作电流250A~5000A的输配电系统。主要用于变压器至压配电盘之间的电气连接,大型厂矿的供电系统,水电站、大型变电站、火电厂、钢铁公司、大型企业的自备电厂中,发电机至升压变压器之间的电气连接。

二、结构性能
1、外壳由非磁性铝合金板(或弱磁钢板)制作,维护工作量小,为全封闭、不通风型,具有抗腐蚀和好的散热性、接地性。其非磁性铝质材料,可大大降低因压电流引发的涡流发热现象。
2、其特殊的法兰口设计,使较大的母线箱体能够灵活拼接,无需弯头,从而使母线系统的设计、安装能够达到程度化、标准化。
3、每节母线般在上部都合理的设有标准检修孔(也可根据现场要求在侧面设置检修孔),检修人员可由此检修孔到母线槽内部的任何位置。检修口处采用独特的翻边制作工艺和要求的法兰口满焊技术,使母线外壳防护等达IP54,在通常户外环境下安装,无需调整防护等。
4、精致的制作工艺和合理的结构使母线制作后,表面光滑平整,达到户外外壳无积水要求。的母线底部疏水泻放装置,既能有效地疏泻母线内部积水,又能阻挡灰尘及异物的进入。
5、合理化的内部支架设计,使每相母排之间拥有大的电气间隙,而完全满足客户的终要求。每节母线法兰端头处的接地端子设计,使母线系统安装后,能够拥有通畅的整体接地系统。
6、外壳表面喷涂无光泽油漆,颜色可根据客户要求选定。
三、缘配置
LSMX系列压共箱封闭型母线槽的母线导体以空气作为缘介质,根据不同的电匝等,选用相应的缘电气间隙(mm)。

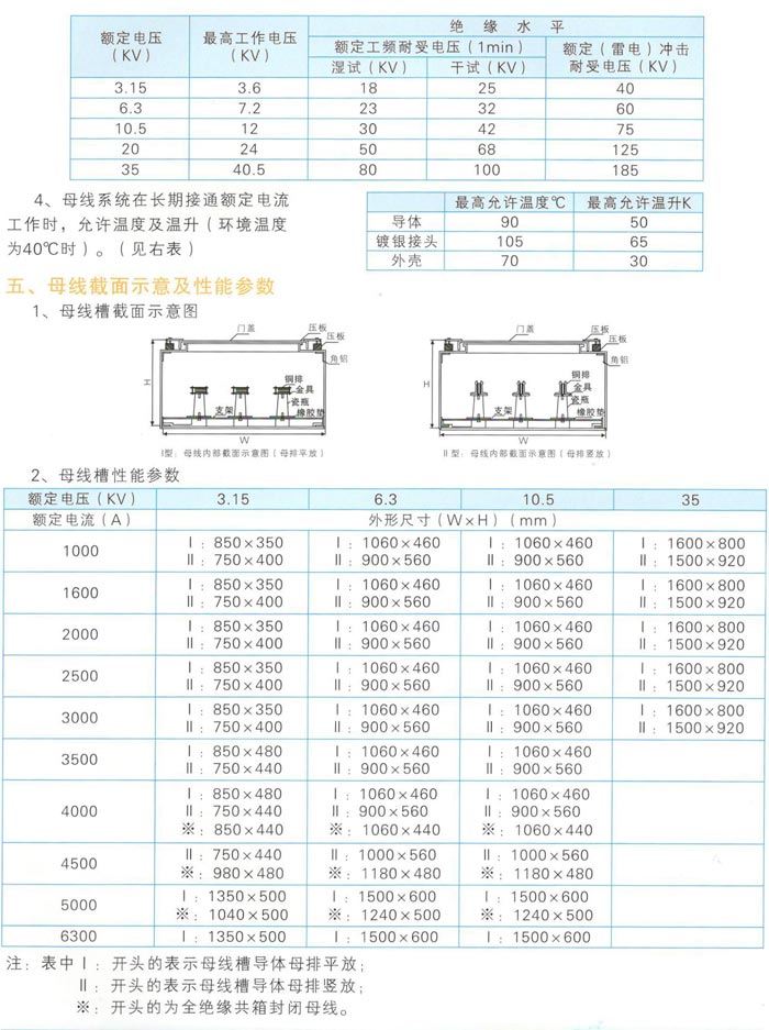
四、主要技术参数
1、工作额定电流 250A、400A、630A、800A、1000A、1250A、1600A、2000A、2500A、3150A、4000A、5000A、6300A。
2、工作频率50~60Hz,三相三线。
3、额定工作电压、工作电压、额定工频耐受电压(1min)、额定(雷电)冲击耐受电压。(见下表)


